HZJ系列管夾
| 一、概述 |
| HZJ系列管夾是目前國內管夾中綜合指標最佳的系列產品。適用于液壓、潤滑、氣動和高壓水系統管子的固定。系統工作壓力可達40MPa;工作溫度-40~+250℃;適用管子外徑范圍較寬,可從F6mm~F426mm。尤其對于具有振動源區域更經濟合理又安全可靠。它廣泛應用于冶金、礦山、化工、煤炭、重型機械、工程機械和農業機械等行業的液壓、潤滑、氣動和高壓水系統管路。 |
| 二、特 點 |
|
1、HZJ系列管夾具有抗振動、抗沖擊、夾持力強度高、重量輕、耐腐蝕、耐高溫、使用壽命長等特點。管夾主體材料采用高牌號球墨鑄鐵精鑄而成;夾持面襯墊膠圈(板)材料根據工作溫度確定:工作溫度小于或等于100℃時,采用普通橡膠;工作溫度大于100℃小于150℃時,采用丁氰橡膠,工作溫度大于150℃小于250℃時,采用氟橡膠制造。底板材料采用整體鋼板制造,確保了底板與管夾、底板與基面(支架)或機體的連接強度。管夾與底板連接采用兩只螺栓(螺柱)緊固,便于維修或保養時的拆裝。 2、HZJ系列管夾與國內外的塑料管夾、鋁合金管夾、鋼(鋼板)管夾相比,使用壽命是塑料管夾的50倍,是鋁合金管夾的30倍,是鋼板管夾的15倍。 3、HZJ系列管夾現有22個規格,62種管徑,適用管子外徑為F6mm~F426mm。 4、根據水平排列固定管子的數量不同,每種規格有兩類管夾,即單管夾和雙管夾,根據管夾與基面(支架)或機體連接方式不同,每種規格的管夾有帶底板和不帶底板兩種。 5、根據管子上下排列的層數不同,同一規格的管夾有單層和雙層兩種,如排列需超出雙層以上的層數時,訂貨時請提出,上層管夾數量應等于或小于下層管子數。 6、HZJ系列管夾外表面涂黑色或黃色油漆,亦可根據用戶需要涂油漆。 |
|
三、型號說明: 1、型 號: |
|
|
2、標記示例: (1)單管夾,單層,管徑D=18,帶底板 管夾1HZJ50-18B (2)單管夾,雙層,上層管徑D1=18,下層管徑D2=22,帶底板 管夾1HZJ50-18/22B (3)雙管夾,單層,管徑不同,D1=18,D2=22,帶底板 管夾2HZJ50-18、22B (4)雙管夾,單層,管徑相同,D1=D2=18,帶底板 管夾2HZJ50-2×18B (5)雙管夾,單層,管徑相同,D1=D2=18,不帶底板 管夾2HZJ50-2×18 (6)雙管夾,雙層,管徑不同,上層管徑D1=16,D2=18,下層管徑D2=20,D4=22,帶底板 管夾2HZJ-16、18/20、22B (7)雙管夾,雙層,每層管徑相同,上層管徑D1=D2=18,下層管徑D3=D4=22,帶底板 管夾2HZJ-2×18/2×22B (8)單、雙管夾,雙層,上層為單管夾,管徑D1=18,下層為雙管夾,管徑D2=D3=22,帶底板 管夾1/2HZJ50-18/2×22B (9)雙管夾,雙層,管徑D1=16,D2=18, D3=D4=22,帶底板 管夾2HZJ50-16、18/2×22B |
|
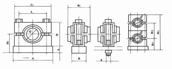
四、外形尺寸: 1、單管夾 |
|
雙層
|
|
| 2、雙管夾 |
|
|
雙層
|
|
|
|
||||||||||||||||||||||||||||||||||||||||||||||||||||||||||||||||||||||||||||||||||||||||||||||||||||||||||||||||||||||||||||||||||||||||||||||||||||||||||||||||||||||||||||||||||||||||
|
||||||||||||||||||||||||||||||||||||||||||||||||||||||||||||||||||||||||||||||||||||||||||||||||||||||||||||||||||||||||||||||||||||||||||||||||||||||||||||||||||||||||||||||||||||||||
|
訂貨說明:(1)鋼管外徑尺寸如不符合規格中的外徑系列時,可特殊訂貨。 (2)單管夾標注時,在產品型號前寫1;雙管夾標注時,在產品型號前寫2。 |
||||||||||||||||||||||||||||||||||||||||||||||||||||||||||||||||||||||||||||||||||||||||||||||||||||||||||||||||||||||||||||||||||||||||||||||||||||||||||||||||||||||||||||||||||||||||
|
五、使用說明: 1、管路布置在設備上時,可采用帶底板的管夾,底板直接焊接在設備上。 2、管路布置在地溝內,溝的側壁上有埋設件(鋼板)。當采用帶底板的管夾時,把底板焊在槽鋼上,槽鋼焊在埋鋼上,見圖1。當采用不帶底板的管夾時,管夾用螺栓連接在槽鋼上,這時槽鋼上要鉆孔。管夾一般采用一列布置,亦可交錯布置。 3、管路沿地溝的側壁布置,壁上有埋設件,管夾的底板焊在槽鋼上,槽鋼焊在埋設件上,見圖2。 4、管路布置在地溝側壁的支架上,支架焊在埋設件上,管夾的底板焊在支架上,管夾懸臂較大時,要注意支架的強度,見圖3。 |
||||||||||||||||||||||||||||||||||||||||||||||||||||||||||||||||||||||||||||||||||||||||||||||||||||||||||||||||||||||||||||||||||||||||||||||||||||||||||||||||||||||||||||||||||||||||
|
||||||||||||||||||||||||||||||||||||||||||||||||||||||||||||||||||||||||||||||||||||||||||||||||||||||||||||||||||||||||||||||||||||||||||||||||||||||||||||||||||||||||||||||||||||||||
|
|
上一個: 塑料管夾JB/ZQ4008-97 下一個: 焊接式接頭
