|
一、使用條件 VSKH-KR型雙線分配器上下面均有出油口,分配器活塞正反向動作時分別從上面和下面的出油口排出潤滑脂。還可以從指示桿的動作直接觀察分配器的工作情況,同時還可通過調整螺釘在規定范圍內,調整出油口的給油量。 分配器適用于公稱壓力為40MPa的雙線式干油集中潤滑系統中。它在兩條供油主管交替的供油壓力作用下,直接由供油壓力控制活塞動作給油,完成向潤滑點定量分配潤滑脂的功能。
| |
| 二、技術參數 |
|
|
型號 |
公稱壓力MPa |
動作壓力Mpa |
額定給油量ml/循環 |
調整螺釘每轉一圈調整量ml |
|
VSKH※-KR |
40 |
≤1.5 |
0-1.5 |
0.05 |
|
| 使用介質為錐入度不低于265(25℃,150g)1/10mm 的潤滑脂(NLGI0#~2#)或粘度等級大于N68 的潤滑油;使用環境溫度為-10~80℃;使用介質為潤滑油時,請在20MPa 壓力下使用。 |
| |
| 三、型號說明 |
 |
| |
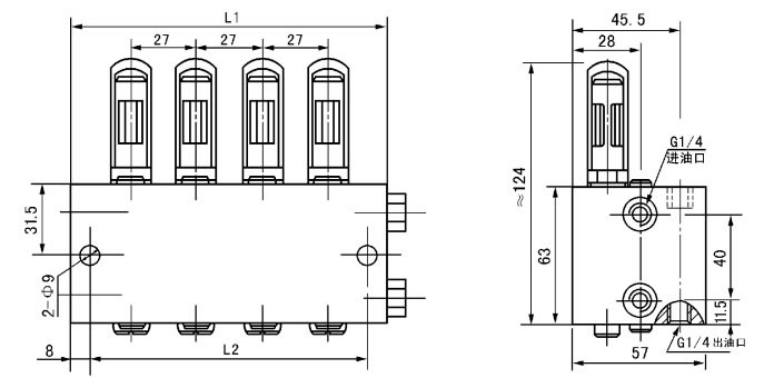
| 四、外形尺寸 |
 |
|
型號 |
VSKH2-KR |
VSKH4-KR |
VSKH6-KR |
VSKH8-KR |
|
L1 |
52 |
80 |
108 |
136 |
|
L2 |
36 |
64 |
92 |
120 | |
| |
| 五、使用說明 |
| 分配器安裝使用環境溫度在-10~80℃以外的必須在訂貨合同中注明,以便供貨時提供耐低、高溫油封。 |
| |