JPQS(D)型遞進式分配器
| |||||||||||||||||||||||||||||||||||
| 二、技術參數 | |||||||||||||||||||||||||||||||||||
| |||||||||||||||||||||||||||||||||||
| 使用介質為錐入度250~350(25℃150g)1/10mm 的潤滑脂。 | |||||||||||||||||||||||||||||||||||
| 三、型號說明 | |||||||||||||||||||||||||||||||||||
![]() | |||||||||||||||||||||||||||||||||||
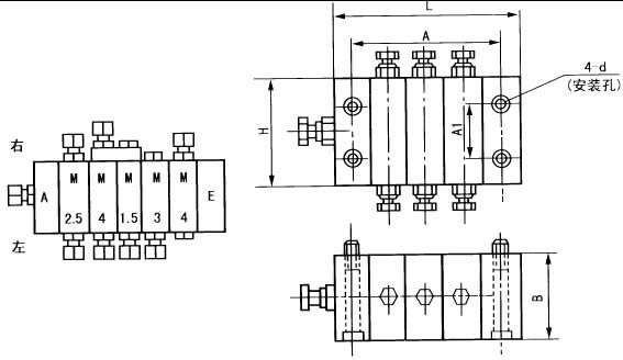
| 四、外形尺寸 | |||||||||||||||||||||||||||||||||||
| |||||||||||||||||||||||||||||||||||
| |||||||||||||||||||||||||||||||||||
| 說明:遞進分配器的組合按進油口元件首塊A、工作塊M和尾塊E、從左到右排列,在隊列下方出口稱為左,在隊列上方出口稱為右。如圖 | |||||||||||||||||||||||||||||||||||
| 五、工作原理 | |||||||||||||||||||||||||||||||||||
| A1、遞進分配器 圖A1,壓力油由進油口進入分配器組,油由柱塞“Ⅰ”的左通道進入柱塞“Ⅱ”的左腔,將柱塞“Ⅱ”推向右側,柱塞“Ⅱ”右腔的油經柱塞“Ⅰ”的右通道由出油口“1”輸出,與此同時,柱塞“Ⅱ”的左通道接通,油進入柱塞“Ⅲ”的左腔,柱塞“Ⅲ”被推至右側,右腔的油經柱塞“Ⅱ”的右通道由出油口“2”輸出。此時柱塞“Ⅲ”的左通道接通,油進入柱塞“Ⅰ”的右腔(參看圖A1)將柱塞“Ⅰ”推至左側,柱塞“Ⅰ”左腔的油通過柱塞“Ⅲ”的右通道,由出油口“3”輸出。 圖A2,按上例輸油線路,當柱塞“Ⅱ”“Ⅲ”推至左側時,柱塞“Ⅱ”“Ⅲ”左腔的油通過柱塞“Ⅰ”“Ⅱ”的左通道由出油口“4”“5”輸出,同時柱塞“Ⅲ”的右通道接通,油經右通道進入柱塞“Ⅰ”的左腔,將柱塞“Ⅰ”推至右側,右腔的油經柱塞“Ⅲ”的左通道,由出油口“6”輸出。 A2、根據以上輸油步驟,完成一次供油的循環,每一個出油口按順序定量輸油,周而復始。 A3、遞進分配器在使用時,可以施行監控,用戶如果需要監控,可在標記后注明帶觸桿(或帶監控器)。 | |||||||||||||||||||||||||||||||||||
![]() | |||||||||||||||||||||||||||||||||||
| 六、訂貨須知 遞進分配器在使用時,可以施行監控,用戶如果需要監控,可在標記后注明帶觸桿(或帶監控器)。 | |||||||||||||||||||||||||||||||||||
上一個: KJ、KM、KL單線遞進式分配器 下一個: FVTLG3油氣分配器



