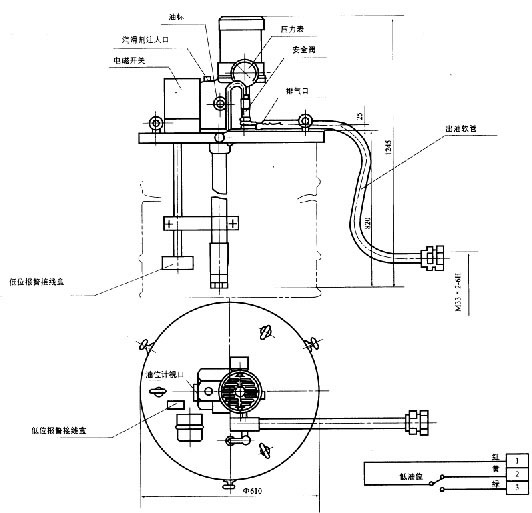
KGP-700LS型電動加油泵
| ||||||||||||||||||||
| ||||||||||||||||||||
| 使用介質為錐入度不低于265(25℃,150g)1/10mm的潤滑脂(NLGI0#~2#)或粘度等級大于N46的工業潤滑油。 | ||||||||||||||||||||
| 三、使用說明 | ||||||||||||||||||||
| 1、在使用前,首先用〉N220潤滑油加入減速箱腔內,加到高于油標位置。 2、按旋向箭頭方向接線旋轉。 3、輸送的潤滑劑必須干凈,質地均勻,并在規定牌號范圍內。 4、泵公稱壓力3MPa,出廠時已調好,不必再作調整。 5、出廠時配膠管內徑為F13,對外連接螺紋為M33×2,如果潤滑泵加油口連接螺紋為M32×3,則使用備用過渡接頭。 6、本泵設有低位報警裝置,報警后應及時地向油筒內充填潤滑脂。 | ||||||||||||||||||||
|
| ||||||||||||||||||||
| 四、外形尺寸 | ||||||||||||||||||||
五、故障及排除 | ||||||||||||||||||||
上一個: DJB-V400型電動加油泵 下一個: SJB-V25型手動加油泵

