DJB-H1.6型電動加油泵
| |||||||||||||
| |||||||||||||
| 使用介質為錐入度220(25℃,150g)1/10mm的潤滑脂和粘度等級大于N68的潤滑油。 | |||||||||||||
| 三、型號說明 | |||||||||||||
![]() | |||||||||||||
|
| |||||||||||||
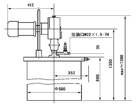
| 四、外形尺寸 | |||||||||||||
![]() 五、工作原理 由水平安裝的減速電機驅動偏心輪回轉,帶動滑塊、拉桿上下往復運動,由活塞內部及管帽內單向閥的作用完成吸壓油過程,經輸油膠管向外送出。 六、使用說明 1、使用前先擰開殼體上方的油塞加入50號機械油至規定油標液位。 2、輸送的介質必須干凈,質地均勻,并在規定的牌號范圍內。 3、應定期清洗出口處的過濾網。 4、不許在桶內無油的情況下空運轉。 5、電機減速機初用三個月必須從排氣塞孔補充適量的3#二硫化鉬潤滑脂,以后每隔四個月補充一次 七、訂貨須知 該泵可實現全自動控制,還可安裝油位發訊裝置,訂貨時必須在合同中另行注明。 | |||||||||||||
上一個: DJB-V70型電動加油泵 下一個: DJB-V400型電動加油泵



