DRB-J系列電動潤滑泵
| ||||||||||||||||||||||||||||||||||||||
|
二、技術參數
| ||||||||||||||||||||||||||||||||||||||
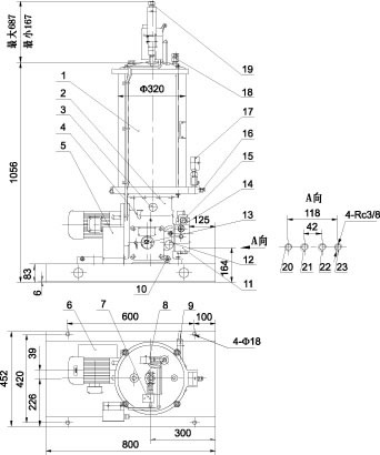
| 三、 外形尺寸 | ||||||||||||||||||||||||||||||||||||||
![]() | ||||||||||||||||||||||||||||||||||||||
| DRB-J60Y-H電動潤滑泵外形圖 DRB-J195Y-H電動潤滑泵外形圖 | ||||||||||||||||||||||||||||||||||||||
![]() | ||||||||||||||||||||||||||||||||||||||
| 四、型號標注說明 | ||||||||||||||||||||||||||||||||||||||
![]() | ||||||||||||||||||||||||||||||||||||||
| 五、結構特征 | ||||||||||||||||||||||||||||||||||||||
| 該系列電動潤滑油泵由柱塞泵、貯油器、液壓換向閥、蓄能器、電動機等部分組成。柱塞泵在電動機的驅動下,從貯油器吸入潤滑油,壓送到液壓換向閥,換向閥有四個接口,外接兩根供油主管和分別由兩根供油主管引回的回油管,依靠回油管內潤滑油的壓力推動液壓換向閥換向交替地沿兩個出油口將潤滑油輸送出去,當一個出油口壓送潤滑脂時,另一油口與貯油器接通卸荷,蓄能器的兩油口分別與換向閥的兩供油出口并接,使得管路換向供油后的瞬間能及時得到補充供油。 | ||||||||||||||||||||||||||||||||||||||
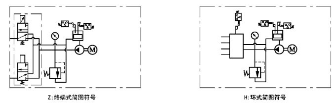
| 六、圖形符號 七、接線指示 | ||||||||||||||||||||||||||||||||||||||
![]() | ||||||||||||||||||||||||||||||||||||||
| 八、使用說明 1、該系列電動潤滑泵應安裝在環境溫度合適,灰塵少,振動小,通風干燥,且便于補油、調整、檢查和維修保養等都方便的場合。如在室外或環境條件惡劣的場合使用時,應采取防護措施。 2、貯油器內加注潤滑油,應使用DJB-V70型或DJB-V400型電動加油泵,從潤滑泵補給口注入。(補給口內裝有過濾器)。 3、潤滑泵運轉前必須向泵的減速機腔加注潤滑油(工業齒輪油N220)達到規定油標液位,減速機腔的潤滑油在潤滑泵投入使用200小時,以后每隔200小時應檢查更換。 4、潤滑泵的回轉方向是單向的,使用時必須按電機上旋向牌規定的旋向接線使用。 5、泵的溢流閥設定壓力,可以在0~10MPa范圍內任意調整,在使用時不允許超過泵的公稱壓力的10%(11MPa)。 6、油泵的工作原理及常見故障處理詳見使用說明書。 | ||||||||||||||||||||||||||||||||||||||
上一個: DRB-L系列電動潤滑泵 下一個: DDB系列多點干油泵





