SDRB-N雙列式電動潤滑脂泵
|
|||||||||||||||||||||||||||
|
二、技術參數
|
|||||||||||||||||||||||||||
| 三、型號說明 | |||||||||||||||||||||||||||
|
|||||||||||||||||||||||||||
|
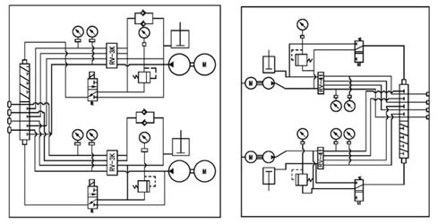
四、系統原理圖 |
|||||||||||||||||||||||||||
|
|||||||||||||||||||||||||||
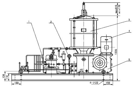
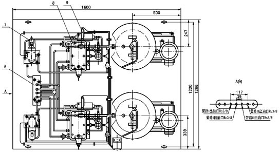
| 五、外形尺寸 | |||||||||||||||||||||||||||
|
|||||||||||||||||||||||||||
|
六、結構形式 |
|||||||||||||||||||||||||||
|
|||||||||||||||||||||||||||
|
|||||||||||||||||||||||||||
|
|||||||||||||||||||||||||||
|
|||||||||||||||||||||||||||
|
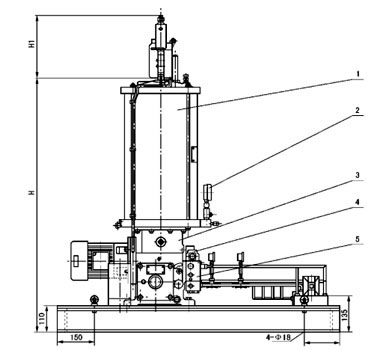
圖4 SDRB-N585H 雙列式電動潤滑潤滑泵外形圖
|
|||||||||||||||||||||||||||
|
1 - 壓力表;2 - 壓力表;3 - 貯油器;4 - 電動機;5 - 電動潤滑脂泵 6 - 液壓換向閥;7 - 電磁換向閥;8 - 液壓換向閥;9 - 限位開關 |
|||||||||||||||||||||||||||
|
七、使用說明 本產品應安裝在室內、灰塵少、振動小的干燥場所,用地腳螺栓固定在基礎上。其周圍應留有操作空間。安裝位置應便于補給潤滑脂、調試、檢查、拆卸和維修等都方便的場合。 使用前須向柱塞泵的減速機腔注入潤滑油(推薦工業齒輪油N220),達到油位計紅線的位置。一般新潤滑泵工作200小時后應更換潤滑油,以后每隔2000小時定期更換新油,并要經常檢查油質情況,若發現油質劣化,則應縮短更換周期。 向貯油器內充填潤滑脂,必須使用加油泵從潤滑脂補給口加入。使用的潤滑脂應清潔,不允許有雜質、污物、灰塵、氣泡等存在。 電動潤滑泵的回轉方向與箭頭指示方向一致。在電動機接線時,應注意這一點。 溢流閥的標準調定壓力為42MPa。 |
|||||||||||||||||||||||||||
上一個: ZPU型電動潤滑泵 下一個: DB-N系列單線潤滑泵
