雙線式集中潤滑系統介紹
| 手動終端式系統 | |
|
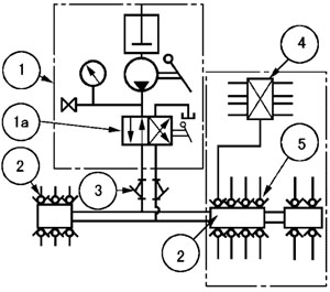
一、系統介紹 由換向閥 1a 的位置決定潤滑泵①輸出的潤滑劑經兩條供油主管的某一條供送,另一條向貯油器開放。 雙線分配器②全部動作完畢,供油壓力急劇上升。可用供油壓力是否達到預先確認的數值來判斷系統給油工作是否已經完成。 系統再次進行給油運行時,換向閥 1a 處于相反位置,此時供油主管壓送和開放交換。 二、特 點 系統簡單,設備費用低。 適用于給油間隔時間長,潤滑點少的場合。 也可與其它系統配合,潤滑某些特殊的部位。 |
|
| 三、系 統 圖 四、系統裝置簡圖 | |
|
|
| 電動終端式系統 | |
|
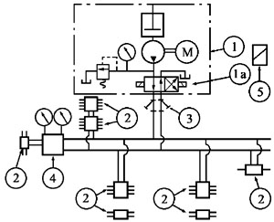
一、系統介紹 電控柜⑤內的指令時間繼電器使系統按照設定的給油間隔時間自動動作,按”給油時間延長“表示給油工作的異常,另設有”貯油器空“,”過負荷運轉“等警報信號。指令時間繼電器按系統一次給油工作實際所需時間加2~5分鐘調整。 供油主管末端裝有壓力操縱閥或壓差開關閥或二只壓力開關閥(每管線單配)④,當末端壓力達到設定值,向電控柜發送信號,換向閥 1a 換向,潤滑泵①停止系統一次給油工作完成。經過設定的時間間隔后,系統再次工作,從另一條主油管供油。 系統設計通常按給油時間5分鐘以內(最高8分鐘以內)設計,壓差開關/壓力操縱閥的標準設定壓力為5MPa左右。 壓差開關/壓力操縱閥設置在壓力損失最大處的供油主管末端,建議后面再布置一塊分配器(見下圖雙點線框內),以便于末端油脂的更新。 對于中小型系統,為方便電氣配線,可以采用前端壓力控制換向,即在換向閥二出口管線上并聯安裝壓力控制器,末端無須安裝壓差開關/壓力操縱閥。 二、特 點 配管費用較低。 采用末端壓力作為系統給油工作完成的控制參數,設計容易。 適用于潤滑點分布較廣的場合。 |
|
| 三、系 統 圖 | 四、系統裝置簡圖 |
|
|
![]() |
| 電動環式系統 | |
|
一、系統介紹 電控柜④內的指令時間繼電器使系統按照設定的給油間隔時間自動動作,指令時間用”給油時間延長“表示給油工作的異常,另設有”貯油器空“、”過負荷運轉“等警報信號。指令時間繼電器按系統一次給油工作實際所需時間加2~5分鐘來調整。 液壓換向閥 1a 具有切換兩條供油主管和控制供油主管末端的壓力的功能,當供油的主管的末端壓力達到液壓換向閥的設定壓力,液壓換向閥換向,并向電控柜發送信號,潤滑泵①停止,系統再次工作,從另一條主油管供油。 系統設計通常按給油時間5分鐘以內(最高8分鐘以內)設計,液壓換向閥的標準設定壓力為5MPa。 二、特 點 供油管末端壓力直接控制換向閥換向,動作可靠。 換向閥裝設于潤滑泵上,電氣配線費用低。 在潤滑泵上進行壓力調整,維護、檢查方便。 適用于潤滑點比較集中的場合。 四、系統裝置簡圖 |
|
| 三、系 統 圖 | 四、系統裝置簡圖 |
|
|
| 電動二級分配系統 | |
|
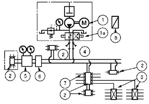
一、系統介紹 基本動作和前述電動終端式系統相同。二次分配由雙線分配器②的出油口接二次供油管向遞進式分配器③供油,這樣,雙線式分配器的一個出油口可向4~8個潤滑點給油。 在分配器②和③之間的配管較長的情況下,為使分配器③動作有充分的保證,采用了壓力控制閥⑥,使主管壓力升高。壓力控制閥安裝在距壓差開關/壓力操縱閥⑤1米以內的主管上。 壓差開關/壓力操縱閥后續需布置一塊雙線式分配器(見下圖接線框內),這塊分配器上不要再接遞進式分配器,進行二次分配。壓差開關/壓力操縱閥一般安裝在壓力損失最大處的供油主管末端。 電動環式系統亦能布置二級分配,壓力控制閥安裝在距液壓換向閥回油口1米以內的主管上。 二、特 點 適用于潤滑點眾多,給油量相同、分布集中的場合。 空間狹小難于確認分配器動作的場合,使用效果好。 和壓力控制閥配合使用,可以采用細長的管路。 檢查部位集中,便于維護管理。 四、系統裝置簡圖 |
|
| 三、系 統 圖 | 四、系統裝置簡圖 |
|
|
| 系統配管要領 | |
|
|
| 配管例②(支管引出部分及分配器連接部分) | |
|
|
![]()
|
|
|
配管例③(分配器→軸承配管要領-固定部位) 潤滑點可以有固定、移動、旋轉三種不同類型,其配管方法各異。對于固定不動的部件,一般工作場合的配管主要使用銅管,特殊場合則使用不銹鋼管,分配器出口側采用端直通管接頭,軸承側應使用直角管接頭或端直通管接頭。 |
|
|
配管例④(分配器→軸承配管要領-移動、旋轉部件) 對于移動部件應使用膠管(特殊及高溫場合使用金屬軟管) 對于旋轉軸,軸端安裝旋轉接頭并和膠管連接。 |
|
上一個: 單線式集中潤滑系統介紹 下一個: SHRH系列智能集中潤滑系統


